| توافر الحالة: | |
|---|---|
| الكمية: | |
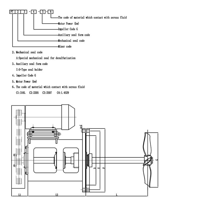
خلاط دخول جانبي لـ إزالة الكبريت من غاز المداخن(مجموعة التركيز)
المحرض، كجزء يلعب مصنع إزالة الكبريت من غاز المداخن (FGD) دورًا حاسمًا في التشغيل الشامل للمحطة.تم تصميم محطات FGD لإزالة ثاني أكسيد الكبريت (SO2) من غازات المداخن المنبعثة من محطات الطاقة والعمليات الصناعية.
عادة ما يتكون المحرض من محرك، ومخفض، ومحمل، وعمود التحريك، والمكره، وما إلى ذلك، والتي يمكن أن تتكيف مع أنظمة إزالة الكبريت من غاز المداخن وظروف التشغيل المختلفة.
تفاصيل المنتج
| العلامة التجارية للسيارات | اختياري (ABS/SEW/SIEMENS/محلي عالي الجودة) |
| العلامة التجارية المخفض | اختياري (ABS/SEW/FALK/REXNORD/محلي عالي الجودة) |
| قوة المحرك | 0.37 ~ 110 كيلو واط |
| ضياء.من رمح | 30 ~ 500 ملم |
| طول رمح | 200 ~ 30000 مم |
| سرعة الدوران | 0.2 ~ 600 دورة في الدقيقة |
| المكره | المكره التقليدية الفعالة |
| مادة | الفولاذ الكربوني، سبائك النيكل، الفولاذ المزدوج والفائق الدوبلكس، سبائك التيتانيوم والتيتانيوم، الطلاءات المطاطية، PO، PE، PP، PTFE |
طلب:
يستخدم المحرض على نطاق واسع في عملية إزالة الكبريت من غاز المداخن.على سبيل المثال،
1. في إزالة الكبريت من غاز المداخن الرطب، يمكن للمقلبين أن يساعدوا في خلط مزيل الكبريت وغاز المداخن، وبالتالي تحسين كفاءة إزالة الكبريت.
2. في إزالة الكبريت من غاز المداخن الجاف، يمكن للمقلبين أن يساعدوا في خلط وتشتيت مزيل الكبريت، وبالتالي تحسين كفاءة إزالة الكبريت.
3. يمكن أن يساعد المهندسين والفنيين على تحسين وأتمتة عملية إزالة الكبريت، وتحسين كفاءة وإنتاجية إزالة الكبريت.
4. يمكن أن يقلل من كمية إزالة الكبريت، ويقلل من تكلفة إزالة الكبريت، ويساهم في قضية حماية البيئة.
يمكن تخصيص الخلاطات وفقًا لمتطلباتك!
استخدام المحرضين Keheng تغليف صندوق خشبي كامل، بعد خطوات القياس والوزن والتعزيز في المصنع، مؤهل في مستودع المنفذ المحدد للفحص، طبقة بعد طبقة.
طرق تسليم Keheng في الخارج عادة ما تكون CIF أو CFR أو FOB، والتي تضمن تسليم البضائع في غضون شهر واحد إلى شهر ونصف بعد استلام الدفعة المقدمة من العملاء.
الخدمة الميدانية
تتمتع KEHENG بما يقرب من 30 عامًا من الخبرة.يمكن لشركتنا تقديم التشخيص والإصلاحات الميدانية.سيوفر الفريق الفني خيارات صيانة متنوعة في الموقع للمساعدة في عمليات الخلط الخاصة بك.
تثبيت: وفقا لمواصفات العملاء
الاستشارة والإصلاح في الموقع: توفر KEHENG خدمات تشخيص الإصلاح في الموقع.إذا لم يتم حل المشكلة في مكان الحادث، فيمكن إعادة المعدات إلى قسم الفحص والإصلاح لدينا.
الصيانة الوقائية: يجب على جميع الآلات اجتياز فحص صارم قبل خروجها.ستوفر KEHENG اختبارات تشخيصية ومعيارية لضمان أعلى أداء لمحلول الخلط والمعدات.
خدمة أخرى: كيمكن لشركة HENG توفير حلول ومعدات خلط جديدة لمشروع إعادة الإعمار الخاص بك.
خدمة الصيانة
توفر KEHENG التحليل والخيارات الأكثر شمولاً لإصلاح محركات الخلاطات ذات المدخل العلوي، ويوفر برنامج الفحص والإصلاح ما يلي:
1. زيادة الموثوقية والاعتمادية
2. إصلاحات عالية الجودة تلبي المواصفات الصارمة
3. تمديد عمر المعدات الخاصة بك
يتم تنظيف جميع أجزاء محرك الخلاط وفحصها جيدًا لتحديد السبب الجذري الحقيقي للفشل.يتم توفير تقارير مفصلة إلى جانب خيارات الإصلاح المتدرجة.يختار العملاء الإصلاحات المناسبة لاحتياجاتهم التشغيلية.تتوفر الضمانات اعتمادًا على خيار الإصلاح الذي تم اختياره.
تشمل المشاكل الشائعة التي يمكن علاجها ما يلي:
1. التعب الميكانيكي
2. الظروف المضطربة
3. تحميل الصدمة
4. تغيير العملية
5. توازن المكره
خدمة الزبائن
1. سيحصل جميع عملاء KEHENG على الدعم والاقتراحات قبل وبعد البيع.
2. الخدمة المقدمة من قبل KEHENG تهدف إلى مساعدة العملاء على اختيار المنتجات الأكثر ملاءمة.
3. تساعد KEHENG العملاء على استخدام المنتج بشكل صحيح: الخطة، التثبيت، التدريب، إزالة المشاكل، الصيانة والإصلاحات، التجديد والتحديث.
4. عرض KEHENG: توريد قطع الغيار، التطوير الفني وأحدث التقنيات المتاحة، تحسين مخزون العملاء وتوصيات قطع الغيار.
دعم فني
لدى KEHENG طاقم كامل من مهندسي التطبيقات الذين لديهم خبرة غنية ومعرفة واسعة.يتكون فريقنا الفني من مهندسي الدعم الفني ومهندسي تصميم المنتجات وتطويرها.لديهم المعرفة والمهارة المتخصصة لتقديم خدمة ومشورة سريعة الاستجابة وموثوقة.سيكونون بالتعاون مع مهندسي المبيعات لإكمال الاتصال.يمكن لمهندسي التطبيق تحديد نوع المحرك، ونسبة المحرك، ومتطلبات تركيب المحرك، ومتطلبات تركيب المحرك، والعناصر الخاصة مثل الأختام الميكانيكية والمحركات، وعمود المحرض، ومحور المكره، وتفاصيل شفرة المكره.
إذا كنت بحاجة إلى ذلك، يمكن لشركة KEHENG أن تدعمك بالتدريبات والتعليمات التالية لتأهيل موظفيك وتعريفهم بالميزات المميزة لمعدات KEHENG المحددة.
1. التدريب على التشغيل
2. التدريب على الصيانة
3. التدريب على العمليات
تأسست JiangSu KeHeng Petrochemical & Electrical Machinery Co., Ltd في عام 1989. وهي مؤسسة ذات تقنية عالية ومتخصصة في البحث والتطوير الاحترافي والتصميم والتصنيع والتركيب.تشارك بشكل رئيسي في أفران تسخين البتروكيماويات، نظام استعادة الحرارة المهدورة، معدات إزالة الكبريت من محطة توليد الطاقة، نظام معالجة مياه الصرف الصحي، الخلاط إلخ. تباع المنتجات في جميع أنحاء الصين ويتم تصديرها إلى جنوب شرق آسيا وأوروبا وأفريقيا والشرق الأوسط واليابان والهند وكازاخستان وتركيا والعديد من البلدان الأخرى.
لقد قام KeHeng مركز البحث والتطوير المستقل و ممتاز اختبار المنتج, التفتيش معدات. مع سنوات من الابتكار المستمر، وقد تم منحه أكثر من 30 جدوى نموذج براءات الاختراع و 5 براءات الاختراع من قبل مكتب الدولة للملكية الفكرية. حتى الآن، كيهينغ لديه تصبح بائعًا مؤهلاً في رابط التوريد للعديد من المؤسسات الكبيرة والمجموعات الصناعية، على سبيل المثال، بتروتشاينا، سينوبك، كنوك إلخ.
احتلال السوق بجودة المنتج، واكتساب العميل بسمعة الشركة
النزاهة- أساس موطئ قدمنا؛التنمية - السعي الأبدي لـ KeHeng.
جودة المنتج
يتم تصنيع جميع خلاطاتنا في منشآت متخصصة مصممة خصيصًا وفقًا لمعايير الجودة ISO9001 وتستخدم فقط مكونات عالية الجودة في بنائها.
تصميم خاص
سيقوم فريقنا الفني المحترف بتصميم الخلاط الأنسب وفقًا لمتطلباتك، والذي يمكن أن يحقق أقصى قيمة في الاستخدام.
Pمشروع Mإدارة
نقوم بتعيين مديري مشاريع متخصصين لضمان تقدم كل جانب من جوانب التصنيع والتجميع ومراقبة الجودة لتلبية مواصفات العملاء الفردية.
خدمة الزبائن
سيحصل جميع عملاء KEHENG على الدعم والاقتراحات قبل وبعد البيع.نحن نساعد العملاء على استخدام المنتج بشكل صحيح: PLAN、تثبيت、تمرين、إزالة المتاعب、الصيانة والتصليح、التجديد والتحديث.
س: هل أنت شركة تجارية أو الشركة المصنعة؟
ج: نحن الشركة المصنعة.لدينا مصنع في جيانغسو. س: كيفية تخصيص المحرضين والخلاطات؟ ج: يمكنك أن ترسل لنا معلمة التطبيق أو ملء النموذج الذي قدمناه، ثم سنقوم باختيار أو تصميم المنتج الذي يناسبك ولعملك. س: كم من الوقت هو مهلة الإنتاج ؟ ج: عادة 30 يومًا.إذا كان لديك علامة تجارية معينة للمحرك لتختارها، فقد تختلف المهلة الزمنية. س: حول ضمان المنتج؟ ج: عادةً، نقدم ضمانًا لمدة عام واحد على المنتجات التي تم بيعها، ولكن يمكننا أيضًا تقديم خدمة مدى الحياة عندما تحتاج إليها للحفاظ على علاقة طويلة الأمد معك.
خلاط دخول جانبي لـ إزالة الكبريت من غاز المداخن(مجموعة التركيز)
المحرض، كجزء يلعب مصنع إزالة الكبريت من غاز المداخن (FGD) دورًا حاسمًا في التشغيل الشامل للمحطة.تم تصميم محطات FGD لإزالة ثاني أكسيد الكبريت (SO2) من غازات المداخن المنبعثة من محطات الطاقة والعمليات الصناعية.
عادة ما يتكون المحرض من محرك، ومخفض، ومحمل، وعمود التحريك، والمكره، وما إلى ذلك، والتي يمكن أن تتكيف مع أنظمة إزالة الكبريت من غاز المداخن وظروف التشغيل المختلفة.
تفاصيل المنتج
| العلامة التجارية للسيارات | اختياري (ABS/SEW/SIEMENS/محلي عالي الجودة) |
| العلامة التجارية المخفض | اختياري (ABS/SEW/FALK/REXNORD/محلي عالي الجودة) |
| قوة المحرك | 0.37 ~ 110 كيلو واط |
| ضياء.من رمح | 30 ~ 500 ملم |
| طول رمح | 200 ~ 30000 مم |
| سرعة الدوران | 0.2 ~ 600 دورة في الدقيقة |
| المكره | المكره التقليدية الفعالة |
| مادة | الفولاذ الكربوني، سبائك النيكل، الفولاذ المزدوج والفائق الدوبلكس، سبائك التيتانيوم والتيتانيوم، الطلاءات المطاطية، PO، PE، PP، PTFE |
طلب:
يستخدم المحرض على نطاق واسع في عملية إزالة الكبريت من غاز المداخن.على سبيل المثال،
1. في إزالة الكبريت من غاز المداخن الرطب، يمكن للمقلبين أن يساعدوا في خلط مزيل الكبريت وغاز المداخن، وبالتالي تحسين كفاءة إزالة الكبريت.
2. في إزالة الكبريت من غاز المداخن الجاف، يمكن للمقلبين أن يساعدوا في خلط وتشتيت مزيل الكبريت، وبالتالي تحسين كفاءة إزالة الكبريت.
3. يمكن أن يساعد المهندسين والفنيين على تحسين وأتمتة عملية إزالة الكبريت، وتحسين كفاءة وإنتاجية إزالة الكبريت.
4. يمكن أن يقلل من كمية إزالة الكبريت، ويقلل من تكلفة إزالة الكبريت، ويساهم في قضية حماية البيئة.
يمكن تخصيص الخلاطات وفقًا لمتطلباتك!
استخدام المحرضين Keheng تغليف صندوق خشبي كامل، بعد خطوات القياس والوزن والتعزيز في المصنع، مؤهل في مستودع المنفذ المحدد للفحص، طبقة بعد طبقة.
طرق تسليم Keheng في الخارج عادة ما تكون CIF أو CFR أو FOB، والتي تضمن تسليم البضائع في غضون شهر واحد إلى شهر ونصف بعد استلام الدفعة المقدمة من العملاء.
الخدمة الميدانية
تتمتع KEHENG بما يقرب من 30 عامًا من الخبرة.يمكن لشركتنا تقديم التشخيص والإصلاحات الميدانية.سيوفر الفريق الفني خيارات صيانة متنوعة في الموقع للمساعدة في عمليات الخلط الخاصة بك.
تثبيت: وفقا لمواصفات العملاء
الاستشارة والإصلاح في الموقع: توفر KEHENG خدمات تشخيص الإصلاح في الموقع.إذا لم يتم حل المشكلة في مكان الحادث، فيمكن إعادة المعدات إلى قسم الفحص والإصلاح لدينا.
الصيانة الوقائية: يجب على جميع الآلات اجتياز فحص صارم قبل خروجها.ستوفر KEHENG اختبارات تشخيصية ومعيارية لضمان أعلى أداء لمحلول الخلط والمعدات.
خدمة أخرى: كيمكن لشركة HENG توفير حلول ومعدات خلط جديدة لمشروع إعادة الإعمار الخاص بك.
خدمة الصيانة
توفر KEHENG التحليل والخيارات الأكثر شمولاً لإصلاح محركات الخلاطات ذات المدخل العلوي، ويوفر برنامج الفحص والإصلاح ما يلي:
1. زيادة الموثوقية والاعتمادية
2. إصلاحات عالية الجودة تلبي المواصفات الصارمة
3. تمديد عمر المعدات الخاصة بك
يتم تنظيف جميع أجزاء محرك الخلاط وفحصها جيدًا لتحديد السبب الجذري الحقيقي للفشل.يتم توفير تقارير مفصلة إلى جانب خيارات الإصلاح المتدرجة.يختار العملاء الإصلاحات المناسبة لاحتياجاتهم التشغيلية.تتوفر الضمانات اعتمادًا على خيار الإصلاح الذي تم اختياره.
تشمل المشاكل الشائعة التي يمكن علاجها ما يلي:
1. التعب الميكانيكي
2. الظروف المضطربة
3. تحميل الصدمة
4. تغيير العملية
5. توازن المكره
خدمة الزبائن
1. سيحصل جميع عملاء KEHENG على الدعم والاقتراحات قبل وبعد البيع.
2. الخدمة المقدمة من قبل KEHENG تهدف إلى مساعدة العملاء على اختيار المنتجات الأكثر ملاءمة.
3. تساعد KEHENG العملاء على استخدام المنتج بشكل صحيح: الخطة، التثبيت، التدريب، إزالة المشاكل، الصيانة والإصلاحات، التجديد والتحديث.
4. عرض KEHENG: توريد قطع الغيار، التطوير الفني وأحدث التقنيات المتاحة، تحسين مخزون العملاء وتوصيات قطع الغيار.
دعم فني
لدى KEHENG طاقم كامل من مهندسي التطبيقات الذين لديهم خبرة غنية ومعرفة واسعة.يتكون فريقنا الفني من مهندسي الدعم الفني ومهندسي تصميم المنتجات وتطويرها.لديهم المعرفة والمهارة المتخصصة لتقديم خدمة ومشورة سريعة الاستجابة وموثوقة.سيكونون بالتعاون مع مهندسي المبيعات لإكمال الاتصال.يمكن لمهندسي التطبيق تحديد نوع المحرك، ونسبة المحرك، ومتطلبات تركيب المحرك، ومتطلبات تركيب المحرك، والعناصر الخاصة مثل الأختام الميكانيكية والمحركات، وعمود المحرض، ومحور المكره، وتفاصيل شفرة المكره.
إذا كنت بحاجة إلى ذلك، يمكن لشركة KEHENG أن تدعمك بالتدريبات والتعليمات التالية لتأهيل موظفيك وتعريفهم بالميزات المميزة لمعدات KEHENG المحددة.
1. التدريب على التشغيل
2. التدريب على الصيانة
3. التدريب على العمليات
تأسست JiangSu KeHeng Petrochemical & Electrical Machinery Co., Ltd في عام 1989. وهي مؤسسة ذات تقنية عالية ومتخصصة في البحث والتطوير الاحترافي والتصميم والتصنيع والتركيب.تشارك بشكل رئيسي في أفران تسخين البتروكيماويات، نظام استعادة الحرارة المهدورة، معدات إزالة الكبريت من محطة توليد الطاقة، نظام معالجة مياه الصرف الصحي، الخلاط إلخ. تباع المنتجات في جميع أنحاء الصين ويتم تصديرها إلى جنوب شرق آسيا وأوروبا وأفريقيا والشرق الأوسط واليابان والهند وكازاخستان وتركيا والعديد من البلدان الأخرى.
لقد قام KeHeng مركز البحث والتطوير المستقل و ممتاز اختبار المنتج, التفتيش معدات. مع سنوات من الابتكار المستمر، وقد تم منحه أكثر من 30 جدوى نموذج براءات الاختراع و 5 براءات الاختراع من قبل مكتب الدولة للملكية الفكرية. حتى الآن، كيهينغ لديه تصبح بائعًا مؤهلاً في رابط التوريد للعديد من المؤسسات الكبيرة والمجموعات الصناعية، على سبيل المثال، بتروتشاينا، سينوبك، كنوك إلخ.
احتلال السوق بجودة المنتج، واكتساب العميل بسمعة الشركة
النزاهة- أساس موطئ قدمنا؛التنمية - السعي الأبدي لـ KeHeng.
جودة المنتج
يتم تصنيع جميع خلاطاتنا في منشآت متخصصة مصممة خصيصًا وفقًا لمعايير الجودة ISO9001 وتستخدم فقط مكونات عالية الجودة في بنائها.
تصميم خاص
سيقوم فريقنا الفني المحترف بتصميم الخلاط الأنسب وفقًا لمتطلباتك، والذي يمكن أن يحقق أقصى قيمة في الاستخدام.
Pمشروع Mإدارة
نقوم بتعيين مديري مشاريع متخصصين لضمان تقدم كل جانب من جوانب التصنيع والتجميع ومراقبة الجودة لتلبية مواصفات العملاء الفردية.
خدمة الزبائن
سيحصل جميع عملاء KEHENG على الدعم والاقتراحات قبل وبعد البيع.نحن نساعد العملاء على استخدام المنتج بشكل صحيح: PLAN、تثبيت、تمرين、إزالة المتاعب、الصيانة والتصليح、التجديد والتحديث.
س: هل أنت شركة تجارية أو الشركة المصنعة؟
ج: نحن الشركة المصنعة.لدينا مصنع في جيانغسو. س: كيفية تخصيص المحرضين والخلاطات؟ ج: يمكنك أن ترسل لنا معلمة التطبيق أو ملء النموذج الذي قدمناه، ثم سنقوم باختيار أو تصميم المنتج الذي يناسبك ولعملك. س: كم من الوقت هو مهلة الإنتاج ؟ ج: عادة 30 يومًا.إذا كان لديك علامة تجارية معينة للمحرك لتختارها، فقد تختلف المهلة الزمنية. س: حول ضمان المنتج؟ ج: عادةً، نقدم ضمانًا لمدة عام واحد على المنتجات التي تم بيعها، ولكن يمكننا أيضًا تقديم خدمة مدى الحياة عندما تحتاج إليها للحفاظ على علاقة طويلة الأمد معك.