| توافر الحالة: | |
|---|---|
| الكمية: | |
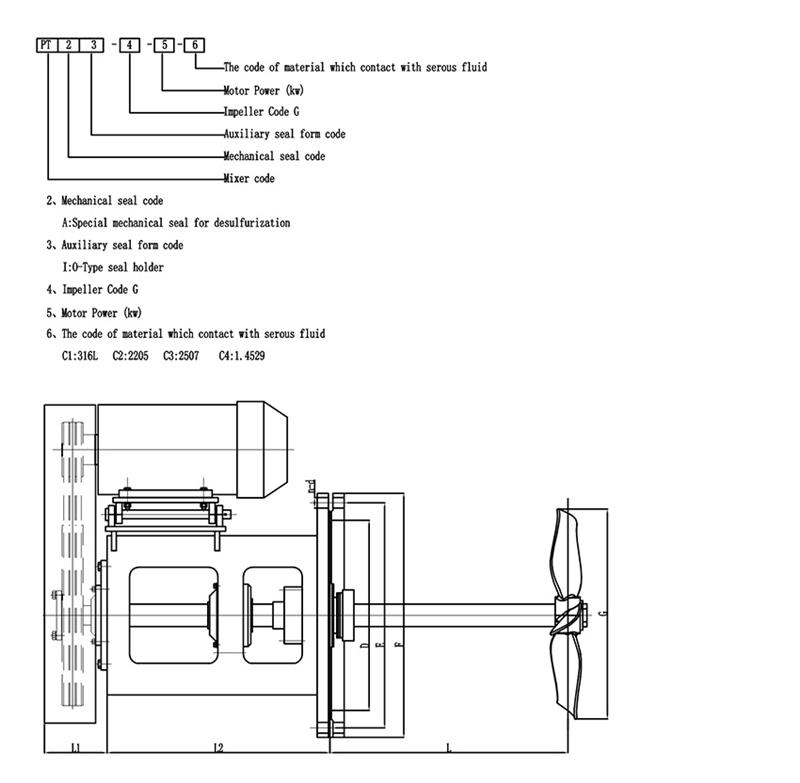
مقدمة لخلاط الدخول الجانبي من نوع PT-Belt:
استخدام إزالة الكبريت من غاز المداخن: يمنع بشكل أساسي تكوّن المواد الصلبة من خزان الملاط ويضمن إمكانية نقل الملاط بشكل موحد إلى العملية التالية.تعزيز انتشار الهواء المؤكسد، وأيضا تعزيز أكسدة كبريتات الكالسيوم، ونمو بلورات الجبس وذوبان الحجر الجيري.استخدام هذه المعدات له العديد من المزايا، مثل الاستثمار الصغير، والتشغيل المريح، والكفاءة العالية، وانخفاض استهلاك الطاقة، وانخفاض الكهرباء الساكنة المولدة في الوسط وضمان جودة المنتج.
يمكن أيضًا استخدام هذا النوع من الخلاطات لمعالجة مياه الصرف الصحي وصناعة الورق.
مادة
ما الذي يجب عليك الانتباه إليه عند تصميم المحرض الجانبي؟
1. تحديد الغرض من خلط المحرض من النوع الجانبي: في حالة إجراء خلط سائل أو سائل أو تعليق صلب أو سائل أو تشتت سائل أو سائل، سواء كان ذلك ضروريًا لتحقيق نقل الحرارة أو الامتصاص أو الاستخلاص، الذوبان، التبلور، إلخ. يتم اختيار نوع مجداف التحريك وفقًا لخصائص العملية.
2. حساب قوة عملية الخلط : وهي الحركة المطلوبة عند إجراء عملية الخلط .
حساب مستوى الطاقة معقد، ويرتبط بقطر الخزان، وقطر الملاط، وعرض الشفرة، والزاوية، وعدد الطبقات، واللزوجة، وعدد الحواجز، وحجم الحاجز.
3. حدد قوة المحرك للمحرض من النوع الجانبي: القيمة المحسوبة بعد الكفاءة يجب أن تكون أكبر من أو تساوي 1.5 مرة من قوة تشغيل التحريك.
4. تحديد الحد الأدنى لعدد الدورات المقلبة في الشارع: هذا العدد من الدورات هو الحد الأدنى لعدد الدورات لغرض الخلط وليس العدد الحرج من دورات عمود المحرض.
5. وفقا لاختيار الطاقة والتحقق من صلابة وقوة عمود الخلط والمجداف.
6. عند استخدام مخفض السرعة، يجب أيضًا مراعاة عامل استخدام المخفض وقدرة حمل المخفض.
7. بالنسبة للعمود النحيف، فكر في إضافة دعم أو دعم متوسط أو سفلي.
8، ضع في اعتبارك أيضًا طريقة التثبيت (الإدخال العلوي أو الإدخال السفلي أو الإدخال الجانبي)، ويتم تحديد ذلك أولاً.
9، دعم التصميم.
10. المحرض من النوع الجانبي محكم الإغلاق (حشو أو ختم الآلة).
Hot Tags: خلاط دخول الجانب fgd، الصين، الشركات المصنعة، الموردين، مصنع، شراء، تخصيص، الاقتباس، صنع في الصين
مقدمة لخلاط الدخول الجانبي من نوع PT-Belt:
استخدام إزالة الكبريت من غاز المداخن: يمنع بشكل أساسي تكوّن المواد الصلبة من خزان الملاط ويضمن إمكانية نقل الملاط بشكل موحد إلى العملية التالية.تعزيز انتشار الهواء المؤكسد، وأيضا تعزيز أكسدة كبريتات الكالسيوم، ونمو بلورات الجبس وذوبان الحجر الجيري.استخدام هذه المعدات له العديد من المزايا، مثل الاستثمار الصغير، والتشغيل المريح، والكفاءة العالية، وانخفاض استهلاك الطاقة، وانخفاض الكهرباء الساكنة المولدة في الوسط وضمان جودة المنتج.
يمكن أيضًا استخدام هذا النوع من الخلاطات لمعالجة مياه الصرف الصحي وصناعة الورق.
مادة
ما الذي يجب عليك الانتباه إليه عند تصميم المحرض الجانبي؟
1. تحديد الغرض من خلط المحرض من النوع الجانبي: في حالة إجراء خلط سائل أو سائل أو تعليق صلب أو سائل أو تشتت سائل أو سائل، سواء كان ذلك ضروريًا لتحقيق نقل الحرارة أو الامتصاص أو الاستخلاص، الذوبان، التبلور، إلخ. يتم اختيار نوع مجداف التحريك وفقًا لخصائص العملية.
2. حساب قوة عملية الخلط : وهي الحركة المطلوبة عند إجراء عملية الخلط .
حساب مستوى الطاقة معقد، ويرتبط بقطر الخزان، وقطر الملاط، وعرض الشفرة، والزاوية، وعدد الطبقات، واللزوجة، وعدد الحواجز، وحجم الحاجز.
3. حدد قوة المحرك للمحرض من النوع الجانبي: القيمة المحسوبة بعد الكفاءة يجب أن تكون أكبر من أو تساوي 1.5 مرة من قوة تشغيل التحريك.
4. تحديد الحد الأدنى لعدد الدورات المقلبة في الشارع: هذا العدد من الدورات هو الحد الأدنى لعدد الدورات لغرض الخلط وليس العدد الحرج من دورات عمود المحرض.
5. وفقا لاختيار الطاقة والتحقق من صلابة وقوة عمود الخلط والمجداف.
6. عند استخدام مخفض السرعة، يجب أيضًا مراعاة عامل استخدام المخفض وقدرة حمل المخفض.
7. بالنسبة للعمود النحيف، فكر في إضافة دعم أو دعم متوسط أو سفلي.
8، ضع في اعتبارك أيضًا طريقة التثبيت (الإدخال العلوي أو الإدخال السفلي أو الإدخال الجانبي)، ويتم تحديد ذلك أولاً.
9، دعم التصميم.
10. المحرض من النوع الجانبي محكم الإغلاق (حشو أو ختم الآلة).
Hot Tags: خلاط دخول الجانب fgd، الصين، الشركات المصنعة، الموردين، مصنع، شراء، تخصيص، الاقتباس، صنع في الصين