| توافر الحالة: | |
|---|---|
| الكمية: | |
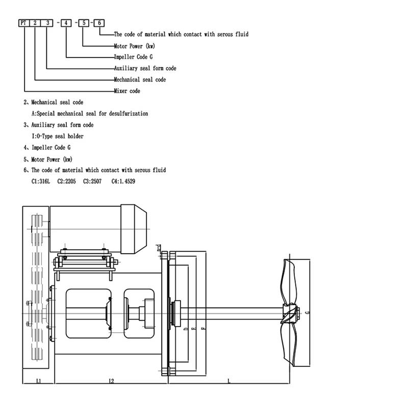
مقدمة لخلاط الدخول الجانبي من نوع PT-Belt:
استخدام إزالة الكبريت من غاز المداخن: يمنع بشكل أساسي تكوّن المواد الصلبة من خزان الملاط ويضمن إمكانية نقل الملاط بشكل موحد إلى العملية التالية.تعزيز انتشار الهواء المؤكسد، وأيضا تعزيز أكسدة كبريتات الكالسيوم، ونمو بلورات الجبس وذوبان الحجر الجيري.استخدام هذه المعدات له العديد من المزايا، مثل الاستثمار الصغير، والتشغيل المريح، والكفاءة العالية، وانخفاض استهلاك الطاقة، وانخفاض الكهرباء الساكنة المولدة في الوسط وضمان جودة المنتج.
يمكن أيضًا استخدام هذا النوع من الخلاطات لمعالجة مياه الصرف الصحي وصناعة الورق.
مادة
كيف يتم تصميم جانب إزالة الكبريت للخلاط المصمم للبرنامج؟
يختلف المحرض الذي يدخل جانب إزالة الكبريت عن معدات الخلط الأخرى.بالمقارنة مع معدات الخلط الأخرى، فإن خلاط الإدخال الجانبي FGD لديه إجراءات التصميم الفريدة الخاصة به.أدناه، دعونا نلقي نظرة على ذلك معا.
1. عند تصميم محريك الدخول الجانبي لإزالة الكبريت، يمكننا تحديد متطلبات عزم الدوران أو الطاقة بعدة سرعات مختلفة وفقًا لقيمة D/DT الحالية لمعدات المستخدم ومتطلبات العميل لوقت الخلط ودرجة التحريك.ومن بينها أن درجة التقليب تكون محدودة بالاختلاف في لزوجة المادة، والفرق في الثقل النوعي، وما إذا كانت ليست مائعًا نيوتونيًا.
2. حدد ارتفاعًا معقولًا لتركيب المكره واجمع المعدات لتقدير الطول التقريبي لعمود المحرض.
3. تقدير قوة المحرك بشكل معقول.
4، ارجع إلى الأداء الحالي، مثل استهلاك طاقة المكره، المخفض، عمود الخرج، الأقواس، وما إلى ذلك، حدد المحرض الذي يمكنه تلبية المتطلبات الثلاثة الأولى.
5. وفقًا للظروف مثل سرعة طرف الشفرة، حدد سرعة الدوران الأكثر ملاءمة، وتحسين التصميم، وفحص وتحليل ديناميكيات وقوة نظام الأعمدة وفقًا للظروف المحددة.
Hot Tags: محرضات الدخول الجانبية لإزالة الكبريت، الصين، الشركات المصنعة، الموردين، مصنع، شراء، تخصيص، الاقتباس، صنع في الصين
مقدمة لخلاط الدخول الجانبي من نوع PT-Belt:
استخدام إزالة الكبريت من غاز المداخن: يمنع بشكل أساسي تكوّن المواد الصلبة من خزان الملاط ويضمن إمكانية نقل الملاط بشكل موحد إلى العملية التالية.تعزيز انتشار الهواء المؤكسد، وأيضا تعزيز أكسدة كبريتات الكالسيوم، ونمو بلورات الجبس وذوبان الحجر الجيري.استخدام هذه المعدات له العديد من المزايا، مثل الاستثمار الصغير، والتشغيل المريح، والكفاءة العالية، وانخفاض استهلاك الطاقة، وانخفاض الكهرباء الساكنة المولدة في الوسط وضمان جودة المنتج.
يمكن أيضًا استخدام هذا النوع من الخلاطات لمعالجة مياه الصرف الصحي وصناعة الورق.
مادة
كيف يتم تصميم جانب إزالة الكبريت للخلاط المصمم للبرنامج؟
يختلف المحرض الذي يدخل جانب إزالة الكبريت عن معدات الخلط الأخرى.بالمقارنة مع معدات الخلط الأخرى، فإن خلاط الإدخال الجانبي FGD لديه إجراءات التصميم الفريدة الخاصة به.أدناه، دعونا نلقي نظرة على ذلك معا.
1. عند تصميم محريك الدخول الجانبي لإزالة الكبريت، يمكننا تحديد متطلبات عزم الدوران أو الطاقة بعدة سرعات مختلفة وفقًا لقيمة D/DT الحالية لمعدات المستخدم ومتطلبات العميل لوقت الخلط ودرجة التحريك.ومن بينها أن درجة التقليب تكون محدودة بالاختلاف في لزوجة المادة، والفرق في الثقل النوعي، وما إذا كانت ليست مائعًا نيوتونيًا.
2. حدد ارتفاعًا معقولًا لتركيب المكره واجمع المعدات لتقدير الطول التقريبي لعمود المحرض.
3. تقدير قوة المحرك بشكل معقول.
4، ارجع إلى الأداء الحالي، مثل استهلاك طاقة المكره، المخفض، عمود الخرج، الأقواس، وما إلى ذلك، حدد المحرض الذي يمكنه تلبية المتطلبات الثلاثة الأولى.
5. وفقًا للظروف مثل سرعة طرف الشفرة، حدد سرعة الدوران الأكثر ملاءمة، وتحسين التصميم، وفحص وتحليل ديناميكيات وقوة نظام الأعمدة وفقًا للظروف المحددة.
Hot Tags: محرضات الدخول الجانبية لإزالة الكبريت، الصين، الشركات المصنعة، الموردين، مصنع، شراء، تخصيص، الاقتباس، صنع في الصين